Proyectos




INGENIERÍA​ ELÉCTRICA Y FIBRA ÓPTICA CERRO GRANDE LA SERENA, MINERA TECK CDA

section divider

Proyecto que consistió en desarrollar la ingeniería de detalle, para el tendido eléctrico en media tensión y fibra óptica de la estación de monitoreo cerro Grande La Serena.





INGENIERÍA​, MONTAJE ELÉCTRICO Y CONTROL SISTEMA HVAC, SALA ELÉCTRICA DESOX, PLANTA BOCAMINA I, ENDESA

section divider

Trabajo de ingeniería, que se realizó para dar solución al sistema eléctrico y control automático del sistema Hvac, sala eléctrica Desox, Planta Bocamina I Endesa. Posteriormente se realizó el montaje de acuerdo a los documentos emitidos en la Ingeniería.




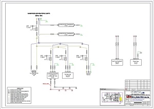
INGENIERÍA​, INTEGRACIÓN GABINETES RED DE INSTRUMENTACIÓN Y SERVICIO PROYECTO MAPA ARAUCO

section divider

Diseño e integración para más de 30 gabinetes de comunicación dedicada a la red de instrumentación y servicios proyecto MAPA, además se ejecutaron las configuraciones turbo ring y turbo chain para tener tiempos de recuperación de 20 ms



INTEGRACIÓN GABINETES SISTEMA CCTV PROYECTO MAPA ARAUCO

section divider

Diseño, integración y configuración Gabinetes de alimentación y comunicación cámaras de vigilancia y detección de incendio.



INTEGRACIÓN GABINETES RED DE INCENDIO

section divider

Integración gabinetes sistema de detección de incendio (Bosch)



INTEGRACIÓN CAJAS JBV

section divider

Suministro integración de 628 cajas de paso, para el sistema de monitoreo de vibraciones



FUSIÓN Y CERTIFICACIÓN E&I

section divider

Mas de 8.000 fusiones y certificación de fibra óptica nivel 1, proyecto MAPA celulosa Arauco.